Tscherdt Geschrieben 9. Oktober 2021 report Geschrieben 9. Oktober 2021 Am 16.8.2018 um 19:33 schrieb schmidei: Ladestrom messen. War bei unserer Street das Gleiche, zog sich 2 Jahre, 3 Batterien. Es war.......Regler und Lima. So wars jetzt bei mir auch. 3 Batterien "verschlissen" und dann im Urlaub komplett stehen geblieben. Diagnose vom Lieblingsschrauber erst mal Limaregler, daber die Lima hat dann immer noch nicht voll geladen, jetzt beides getauscht und gut ist. Zitieren
speedy695 Geschrieben 9. Oktober 2021 report Geschrieben 9. Oktober 2021 Also ich hab gerade dasselbe Problem. Gerade letztes WE die Probefahrt absolviert, nach 2 voneinander unabhägigen Defekten. Da waren Schaltstange gebrochen und bei der Reparatur wurde ein defekter Anlasserfreilauf festgestellt. Jetzt bei der ersten Ausfahrt LiMa defekt. Letzes Jahr zur ersten Ausfahrt im Jahr hatte ich bereits die Freude. Das nur nebenbei bemerkt :-/. Also der Akku läd nicht. 12,3V Spannung, wenn der Motor läuft. Im Leerlauf messe ich am LiMa-Ausgang 3x10V gegen Masse und alle 3Phasen gegeneinander 19V. Das scheint zu passen. Ergo, der Regler ist hin. Ich bin mir jetzt unsicher. Wir der Regler Diodenmäßig wie eine Drehstrombrücke gemessen? Wahrscheinlich nicht oder, weil dann wärs nur ein Gleichrichter und kein Regler?? Hat jemand ein Innenschaltbild von so einem Regler? Gruß Jörg Zitieren
Triple/one Geschrieben 9. Oktober 2021 report Geschrieben 9. Oktober 2021 (bearbeitet) vor 43 Minuten schrieb speedy695: Ich bin mir jetzt unsicher. Wir der Regler Diodenmäßig wie eine Drehstrombrücke gemessen? Wahrscheinlich nicht oder, weil dann wärs nur ein Gleichrichter und kein Regler?? Hat jemand ein Innenschaltbild von so einem Regler? Gruß Jörg Servus Schau mal hier. Lesestoff bis Weihnachten. https://www.t5net-forum.de/forum/index.php?/search/&q=lichtmaschine&quick=1&search_and_or=or&search_in=titles&sortby=relevancy Regler und Lima sind ein Altbekanntes Problem bei Triumph. Alle Kabel Natürlich Einzeln testen. Nicht 1 2 3 Zusammen. Gemessen habe ich mit Transistor Einstellung am Multimeter. hFE + vom Multimeter auf die Gelben Kabel 1 2 3 am Regler und minus Multimeter an Rotes Kabel vom Regler. Auf allen Kabeln braucht man Durchgang und mein Wert war 035. dann + Multimeter auf Rotes Kabel Regler und Minus Multimeter an die Gelben Kabel 1 2 3. Auf allen Kabeln keinen Durchgang.Sperrt also. dann + Multimeter auf die Gelben Kabel Regler 1 2 3 und minus Multimeter auf Schwarzes Kabel Regler. Auf allen Kabeln kein Durchgang. dann + Multimeter auf Schwarzes Kabel Regler und minus Multimeter auf die Gelben Kabel 1 2 3 Regler. Auf allen Kabeln 031 bis 032. Im Diodenmodus gemessen hab ich bei 2k Diodenmessung + an Gelbe Kabel 123 und minus an das Rote Kabel Durchgang und andersrum Sperrwirkung. Gruß Bearbeitet 9. Oktober 2021 von Triple/one Zitieren
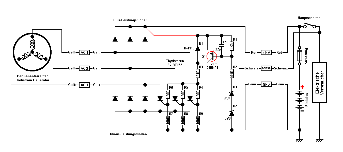
speedy695 Geschrieben 9. Oktober 2021 report Geschrieben 9. Oktober 2021 (bearbeitet) vor 4 Stunden schrieb Triple/one: Gemessen habe ich mit Transistor Einstellung am Multimeter. hFE + vom Multimeter auf die Gelben Kabel 1 2 3 am Regler und minus Multimeter an Rotes Kabel vom Regler. Auf allen Kabeln braucht man Durchgang und mein Wert war 035. dann + Multimeter auf Rotes Kabel Regler und Minus Multimeter an die Gelben Kabel 1 2 3. Auf allen Kabeln keinen Durchgang.Sperrt also. dann + Multimeter auf die Gelben Kabel Regler 1 2 3 und minus Multimeter auf Schwarzes Kabel Regler. Auf allen Kabeln kein Durchgang. dann + Multimeter auf Schwarzes Kabel Regler und minus Multimeter auf die Gelben Kabel 1 2 3 Regler. Auf allen Kabeln 031 bis 032. Im Diodenmodus gemessen hab ich bei 2k Diodenmessung + an Gelbe Kabel 123 und minus an das Rote Kabel Durchgang und andersrum Sperrwirkung. Hi danke, ja viel Stoff zum lesen - finde mal einen bestimmten Baum im Amazonas ;-) Also, wenn man die u.a. Schaltung nimmt und Dein Ergebnis, so sollte man zumindest die Plus und Minus Leistungsdioden am Gleichstromausgang messen können. Ich nehm dafür die Diodentestfunktion an meinem Multimeter und bekomme nur an einer Diodengruppe (ob jetzt Plus oder Minus weiß ich jetzt nicht) die Durchlassspannung von ca. 0,5V 3x angezeigt. Umgekehrt sperren die Dioden natürlich. An der anderen Gruppe habe ich weder in der einen noch in der anderen Richtung Durchgang. Falls die Schaltung so ist wie unten, wär der Regler defekt - was eh zu vermuten ist. Denn die Spannungen an den Wicklungen habe ich bei einer Drehzahl von 5-6000 U/min noch mal nachgemessen: ca. 75VAC alle Wicklungsenden gegeneinander gemessen. Oben im Beitrag, die 19V an denselben Messpunkten, lagen im Leerlauf an. Auf die Drehzahl habe ich dabei nicht geachtet. Mich hätte nur noch die Innenschaltung interessiert, ob die so ist wie unten. Da wird von Mos-Fet's und Längsreglern gesprochen. Die Schaltung unten hat ja nix davon. Gruß Jörg Bearbeitet 9. Oktober 2021 von speedy695 Zitieren
Triple/one Geschrieben 10. Oktober 2021 report Geschrieben 10. Oktober 2021 Moin speedy695 Der Originale Regler ist ein Kurzschluss Regler. Die Schaltung des Reglers sieht so aus wie die Zeichnung von Dir. Eine andere Zeichnung hab ich leider nicht. Ob Mosfet oder nicht, ist Eigentlich Egal, weil nur die Leistungs Dioden dann Mosfet sind , aber das Schaltbild Gleich ist. Auch mit Mosfet Dioden, muss der Regler die Überschüssige Leistung in Hitze Umwandeln. Auch hier verbrennen die Wicklungen der Lima. Selbst ein Elektronischer Regler von Harley Davidson, bringt nicht das Gewünschte Ergebnis. Auch damit verbrutzeln die Wicklungen. Einzigste Haltbare Lösung ist eine Neu Gewickelte Lima von motek, mit dem dazugehörigen Regler. Damit funktioniert das ganze wieder Dauerhaft. Die Krux an der Geschichte sind die Unzulänglichen Isolierungen in der Lichtmaschine und die geringen Durchmesser der Kupfer Wicklungen. Dadurch gibt es höhere Wiederstände und die Wicklungen brutzeln durch. Auch die Stecker Wiederstände am Motorrad Kabelbaum verschlimmern das Problem. http://www.motek.de/motekweb/html/dienste.html Zitieren
speedy695 Geschrieben 10. Oktober 2021 report Geschrieben 10. Oktober 2021 vor 4 Stunden schrieb Triple/one: Einzigste Haltbare Lösung ist eine Neu Gewickelte Lima von motek, mit dem dazugehörigen Regler. Damit funktioniert das ganze wieder Dauerhaft. Die Krux an der Geschichte sind die Unzulänglichen Isolierungen in der Lichtmaschine und die geringen Durchmesser der Kupfer Wicklungen. Dadurch gibt es höhere Wiederstände und die Wicklungen brutzeln durch. Auch die Stecker Wiederstände am Motorrad Kabelbaum verschlimmern das Problem. http://www.motek.de/motekweb/html/dienste.html Ok danke, die motek-Seite hab ich in meinen Favoriten vorgemerkt. Ggf. und zur gegebenen Zeit setze ich mich mit denen in Verbindung. Fürs Erste tausch ich den Regler beim Starfighter um, falls der defekt sein sollte. Garantie hätte ich noch. Ich hoffe, dass der Stator noch ok ist. Meiner Meinung nach deutet alles darauf hin. Die Leitungen inkl. Stecker und Wicklungen des Stators waren insgesamt gleichmäßig niederohmig. Die 3 Ausgangsspannungen auch. Interessant wäre noch die Niederohmigkeit mit einem höheren Messtrom nachzuweisen, damit fallen Fehler eher auf, weil evtl. Übergangswiderstände sich mehr bemerkar machen. Ein Multimeter schickt nur ein paar mA über die Leitungen. Einige Ampere könnte man mit einem geregelten Netzteil, leider nur mit Gleichstrom, fließen lassen und dann den Spannungsabfall messen. Die Wicklungen sind jedoch für Wechselstrom ausgelegt. Das ist mit einem gewissen Risiko einer Überlastung der Wicklung behaftet. Dann grillt der Messstrom die Wicklung. Das wäre blöd. Vielleicht versuch ich es mal mit nur einem Ampere - dann sollte rein gefühlsmäßig nichts passieren. Auch könnte man mit einem Isolationstester schauen ob die Wicklungen keinen Schluss zum Motorgehäuse haben. Wie oder ob das überhaupt Sinn macht, könnte ich mal mit den Leuten von Motek besprechen. Jetzt, für den Moment, würde ich am liebsten einfach nur den Regler tauschen und die paar schönen Tage zum Fahren nutzen, falls uns noch welche vergönnt sind. Ein Alublech zur besseren Kühlung dahinter zu setzen bringt vielleicht ein bisschen was. Da ist am Regler fast nur Vergussmasse, die wohl kaum Wärme ableitet. Der Regler sitzt original ja hinter der Einspritzleiste, im Windschatten des Motors. Wo könnte man den Regler zur besseren Kühlung noch hinbauen, bei einer 1050er BJ 2005? Gruß Jörg Zitieren
Triple/one Geschrieben 10. Oktober 2021 report Geschrieben 10. Oktober 2021 (bearbeitet) vor 2 Stunden schrieb speedy695: Der Regler sitzt original ja hinter der Einspritzleiste, im Windschatten des Motors. Wo könnte man den Regler zur besseren Kühlung noch hinbauen, bei einer 1050er BJ 2005? Gruß Jörg Ich hatte meinen Regler über dem Federbein verbaut. Half aber auch nicht. Meine Lima ist mit Regler an der Speedy trotzdem abgeraucht. Bearbeitet 10. Oktober 2021 von Triple/one Zitieren
speedy695 Geschrieben 10. Oktober 2021 report Geschrieben 10. Oktober 2021 Ich lass meinen Regler an der Originalstelle, schließlich ist es ja 10 Jahre gutgegangen. Ich versuch ein passendes Aluminiumblech zu finden + ein bisschen Wärmeleitpaste, dass bringt vielleicht ein bisschen was. Gruß Jörg Zitieren
Triplemania Geschrieben 10. Oktober 2021 report Geschrieben 10. Oktober 2021 vor 6 Stunden schrieb speedy695: Ein Alublech zur besseren Kühlung ... im Windschatten des Motors. Wo könnte man den Regler zur besseren Kühlung noch hinbauen, bei einer 1050er BJ 2005? Ein Kupferblech verwenden? Den Regler auf die Ritzelabdeckung (in den Fahrtwind) versetzen? Den Regler über Kopf unter die Sitzbankwanne, kurz vor dem KZH (in den Fahrtwind) montieren? Ich habe einen Längsregler und den mit einem schmalen Kupferblech am Heckrahmen verschraubt. Damit ist seit 10 Jahren Ruhe an dieser Front. Zitieren
Joe Ka Geschrieben 10. Oktober 2021 report Geschrieben 10. Oktober 2021 (bearbeitet) An die untere Gabelbrücke :P Siehe Bonneville T100 Bringt leider auch sehr lange Leitungen mit sich Bearbeitet 10. Oktober 2021 von Joe Ka Zitieren
Gast Geschrieben 10. Oktober 2021 report Geschrieben 10. Oktober 2021 (bearbeitet) vor 16 Stunden schrieb Triple/one: Einzigste Haltbare Lösung ist eine Neu Gewickelte Lima von motek, mit dem dazugehörigen Regler. So behaupten die Einen. Andere haben andere Erfahrungen gemacht. Ich z.B. habe einen Längsregler verbaut, der bis jetzt vollkommen unauffällig seinen Job macht. Link suche ich raus... Edit: Da gibt es viele Links; suche einfach nach "SH847AA" Bearbeitet 10. Oktober 2021 von Professor Zitieren
mk3103 Geschrieben 11. Oktober 2021 report Geschrieben 11. Oktober 2021 Kann dem Professor nur beipflichten. Hab zwar eine Tiger, Problematik ist identisch. Nach 2x Lichtmaschine Stator Tausch "billigen" englischen Stator und den original Suzuki SH847RR eingesetzt. Seit dem Ruhe. Die von Motek reparierten Statoren Fristen ein Rentner Dasein im Fundus.Gesendet von meinem Armor 8 Pro mit Tapatalk Zitieren
speedy695 Geschrieben 11. Oktober 2021 report Geschrieben 11. Oktober 2021 OK, danke. Der Starfighter hat mir noch ein paar Tips geschickt, wie ich den Regler prüfen kann. Vielleicht ist ja doch noch was anderes. Ansonsten hätt ich noch Garantie. Den shindengen SH847AA werde ich mir vormerken. Da findet man jede Menge von, aber alles keine Originale, nur Nachbauten, wie es scheint. MTP hat da wohl am meisten an Google bezahlt :-). Sollte man den originalen Suzuki-Regler nehmen? Wenn der robust genug ist, lass ich den Regler erst mal dort wo er ist, evtl. mit Alu oder Kupferblech. Ist das ein Längsregler? Weil ich kenne einen Längsregler eigentlich anders - mit einem Leistungstransistor im Gleichstrom-Lastkreis. Gruß Jörg Zitieren
Gast Geschrieben 12. Oktober 2021 report Geschrieben 12. Oktober 2021 vor 18 Stunden schrieb speedy695: Da findet man jede Menge von, aber alles keine Originale, nur Nachbauten, wie es scheint. Finger weg! Ich bin auch mal auf einen nachgebauten herein gefallen und habe ihn mit einigem Verlust direkt wieder verkauft. vor 18 Stunden schrieb speedy695: Sollte man den originalen Suzuki-Regler nehmen? Ja. Zitieren
speedy695 Geschrieben 12. Oktober 2021 report Geschrieben 12. Oktober 2021 vor 2 Stunden schrieb Professor: Ja. Dann werd ich mal bei meinem Triumphdealer anfragen, der zufällig auch Suzukihändler ist. Ich weiß ja nicht, was für ein Regler in meiner Gixxe verbaut ist, aber die lass ich lieber in Ruhe :-) Danke, dass ich aus Deinen Fehlern profitieren darf ;-) Gruß Jörg Zitieren
Gast Geschrieben 12. Oktober 2021 report Geschrieben 12. Oktober 2021 vor 2 Stunden schrieb speedy695: Suzukihändler Dann frage ihn nach diesem Teil: Klick Zitieren
joe8353 Geschrieben 13. Oktober 2021 report Geschrieben 13. Oktober 2021 Hi, On 10/10/2021 at 2:01 PM, Triple/one said: Ich hatte meinen Regler über dem Federbein verbaut. Half aber auch nicht. Meine Lima ist mit Regler an der Speedy trotzdem abgeraucht. Aber das schaut doch eher nach hohem Übergangswiderstand im Stecker und damit Temperaturentwicklung aus?!? Gerhard Zitieren
Triple/one Geschrieben 13. Oktober 2021 report Geschrieben 13. Oktober 2021 vor einer Stunde schrieb joe8353: Hi, Aber das schaut doch eher nach hohem Übergangswiderstand im Stecker und damit Temperaturentwicklung aus?!? Gerhard Ja das war das erste Anzeichen, das was mit der Lima und Regler nicht stimmt. Daraufhin hatte ich die Verbindung mit Easter Beaver Stecker gemacht und trotzdem ist dann halbes Jahr später die Lima hops gegangen. Darauf hab ich ne neue Lima eingebaut und einen Regler von Harley Davidson aus USA. Das funktionierte dann auch bis zum Verkauf der Speedy. Später dann eine Triumph Tiger 1050 gebraucht gekauft und an der Tiger hab ich zweimal die Lima geschrottet und einmal den Regler. Daraufhin hatte ich keine Lust mehr auf die 1050er Motoren und hab mir eine Yamaha Tracer gekauft. Gruß Zitieren
speedy695 Geschrieben 14. Oktober 2021 report Geschrieben 14. Oktober 2021 Am 13.10.2021 um 10:57 schrieb Triple/one: Ja das war das erste Anzeichen, das was mit der Lima und Regler nicht stimmt. Daraufhin hatte ich die Verbindung mit Easter Beaver Stecker gemacht und trotzdem ist dann halbes Jahr später die Lima hops gegangen. Darauf hab ich ne neue Lima eingebaut und einen Regler von Harley Davidson aus USA. Das funktionierte dann auch bis zum Verkauf der Speedy. Später dann eine Triumph Tiger 1050 gebraucht gekauft und an der Tiger hab ich zweimal die Lima geschrottet und einmal den Regler. Daraufhin hatte ich keine Lust mehr auf die 1050er Motoren und hab mir eine Yamaha Tracer gekauft. Gruß Ich verstehe das nicht. Meine erste LiMa war 15 Jahre alt bis die verreckt ist. Das kann ja mal passieren, nach 55.000km. Das muss doch auch dauerhaft hinzubekommen sein, eine standfeste Lösung zu finden für das Problem. Wenigstens für weitere 55.000km :-) Zitieren
Gast Geschrieben 16. Oktober 2021 report Geschrieben 16. Oktober 2021 Am 14.10.2021 um 17:00 schrieb speedy695: Das muss doch auch dauerhaft hinzubekommen sein, eine standfeste Lösung zu finden für das Problem. Ja sicher geht das! Eine diskrete Lichtmaschine löst das Problem auf elegante Art. Nur, was das wieder wiegt; und wie groß das ist... Zitieren
speedy695 Geschrieben 17. Oktober 2021 report Geschrieben 17. Oktober 2021 vor 17 Stunden schrieb Professor: Ja sicher geht das! Eine diskrete Lichtmaschine löst das Problem auf elegante Art. Nur, was das wieder wiegt; und wie groß das ist... Also gleich auf ein Elektromotorrad umsteigen Zitieren
Gast Geschrieben 17. Oktober 2021 report Geschrieben 17. Oktober 2021 (bearbeitet) Das hat aber keine Lichtmaschine mehr; also nichts gewonnen. Bearbeitet 17. Oktober 2021 von Professor Zitieren
speedy695 Geschrieben 18. Oktober 2021 report Geschrieben 18. Oktober 2021 SH847AA, hat jemand die Suzuki Teilenummer? 32800-31J00-000 hab ich für SH847, aber ohne AA. Was bedeutet die Endung AA? ...nicht das was aus dem Ende rauskommt, wahrscheinlich :-) Zitieren
Gast Geschrieben 19. Oktober 2021 report Geschrieben 19. Oktober 2021 (bearbeitet) 32800-31J00-000 habe ich auch nur Bearbeitet 19. Oktober 2021 von Professor Zitieren
speedy695 Geschrieben 19. Oktober 2021 report Geschrieben 19. Oktober 2021 vor 4 Stunden schrieb Professor: 32800-31J00-000 habe ich auch nur OK, danke. So komme ich weiter. Zitieren
Empfohlene Beiträge
Dein Kommentar
Du kannst jetzt schreiben und Dich später registrieren. Wenn Du ein Konto hast, melde Dich jetzt an, um unter Deinem Benutzernamen zu schreiben.
Hinweis: Dein Beitrag muss vom Moderator freigeschaltet werden, bevor er sichtbar wird.