Jonah_he Geschrieben 24. August 2021 Autor report Geschrieben 24. August 2021 Hallo, Zitat Achso: wenn Du Leitungen prüfst, bitte NICHT mit dem Durchgangsprüfer, sondern Spannungsabfall messen. Warum? Klick, so ca. ab 8:30 Damit werde ich heute Abend alles nochmals alles prüfen und die anderen Dinge auch prüfen. Batterie habe ich mit auf Spannung geprüft und mit dem Ladegerät voll geladen. Masse sowie Kabelbaum am Lenker wird geprüft. Das mit dem Sturzschalter dachte ich mir auch der macht dann wohl 1 oder 0. Aber definitiv keinen Sack Nüsse. Und ja Batterie pole sind fest. Die hatte ich zur Sicherheit mit 7nm angezogen. Aber eins ist mir aufgefallen: Ich habe nur Motor Masse an den Schrauben, nicht an den schwarzen Flächen des Motors! Dachte mir zu erst der schwarze Lack würde den Stromfluss verhindern.. aber das ist quatsch oder? An jedem teil des Motors (egal ob schwarze Fläche oder Schraube müsste Masse anliegen?!) Wenn das so wäre würden wir dem Übeltäter ja näher kommen.. Vielen Dank für die Tollen antworten Zitieren
Jonah_he Geschrieben 24. August 2021 Autor report Geschrieben 24. August 2021 Ja, da hast du 100% recht. Machen wir! Zitieren
joe8353 Geschrieben 24. August 2021 report Geschrieben 24. August 2021 Hi, die Batterieprüfung ist... suboptimal. Entweder mit Last prüfen (wie weit fällt die Spannung zB beim Anlassen, oder mit einem Prüfgerät, dass auch eine Last simulieren kann, ggf. Werkstatt). Oder von einem Auto überbrücken, und schaun, wie das Mopped dann anspringt und läuft. Masse am Motor: ja, der Lack isoliert, mal besser mal schlechter. 12V sind an den blanken Flächen und an den Schrauben messbar. Aus Deiner Schilderung würde ich sagen: das passt so. Gerhard Zitieren
Jonah_he Geschrieben 24. August 2021 Autor report Geschrieben 24. August 2021 Hi, konnte es doch heute Mittag testen :D. Batterie fällt beim starten auf ca. 11,5 V was ja völlig in Ordnung ist, oder? Habe mir die Masse mal abgeschraubt und mit etwas Polfett dran geschmiert. Was mir aufgefallen ist das die Motor Masse "hinten"(siehe Bild, roter Kasten) angeschlossen ist, laut joe8353 aber unter den Einspritzdüsen (grüner Pfeil. Kann mir zwar nicht vorstellen, dass das irgend einen Unterschied machen soll... Aber man weiß ja nie.. Sonst würde ich jetzt nochmals alles mit der Spannungsfall Methode messen und melden wenn ich was finde. Noch eine Idee: vielleicht liefert der Kurbelwellen Sensor ja Misst: Jemand eine Ahnung wie ich den am besten Messe/Teste.. Gäbe es vlt. auch eine Möglichkeit dessen Funktion mit TuneECU zu prüfen? Gruß, Jonah Zitieren
Atlan Geschrieben 24. August 2021 report Geschrieben 24. August 2021 vor 23 Minuten schrieb Jonah_he: Habe mir die Masse mal abgeschraubt und mit etwas Polfett dran geschmiert. Hoffentlich hast Du kein Polfett zwischen die Teile gemacht. Polfett macht man nach dem Verschrauben drüber, damit es nicht korrodiert. bernd w. reagierte darauf 1 Zitieren
Jonah_he Geschrieben 24. August 2021 Autor report Geschrieben 24. August 2021 (bearbeitet) Ja, so habe ich es gemacht. Habe mal einen Log mit TuneECU gemacht und schicke mal das Bild sowie die Datei hier rein. (Tank war nicht angeschlossen, jedoch sollten der Kurbelwellen Sensor ja auch Werte beim Orgeln senden.) Wenn ich Orgel (sieht man daran das die Spannung abfällt(gelb) sieht man das laut ECU die Motordrehzal bei +- 300 rpm liegt. Das könnte Stimmen oder? Und vlt. kann mal jemand einen Blick auf den Log werfen und sagen ob das Stimmen könnte.. Gruß, Jonahdatalog20210824_145301.csv Edit: Ist es normal das der Zündzeitpunkt bei 0° liegt? Bearbeitet 24. August 2021 von Jonah_he Zitieren
joe8353 Geschrieben 24. August 2021 report Geschrieben 24. August 2021 1 hour ago, Jonah_he said: Was mir aufgefallen ist das die Motor Masse "hinten"(siehe Bild, roter Kasten) angeschlossen ist, laut joe8353 aber unter den Einspritzdüsen (grüner Pfeil. Kann mir zwar nicht vorstellen, dass das irgend einen Unterschied machen soll... Aber man weiß ja nie.. Hi, Wenn der Anschraubpunkt metallisch blank ist, isses m.E. egal. KW-Sensor detektiert die Stellung der KW. Wenn der Sensor defekt ist, würde ich erwarten, dass der Motor auf allen drei Zylindern zündet (vielleicht zu früh/zu spät, aber doch auf allen drei gleichmäßig). Gerhard Zitieren
Jonah_he Geschrieben 24. August 2021 Autor report Geschrieben 24. August 2021 (bearbeitet) Soo, es gibt gute Neuigkeiten. Ich hatte echt keine Ahnung mehr was ich noch machen könnte. Habe darauf hin nochmals die Zündkerzen raus gedreht und dachte mir: Man sind die schwarz (also kein Öl, sondern scheinbar sehr Fette Verbrennung.) Dachte mir: Das kann doch nicht sein: Die sind ja gerade mal 600km drinnen die Kerzen. Habe dann auf Zündfunken getestet, keiner. Dann habe ich mal eine neue Kerze von meiner Vespa rein gemacht.. und siehe da: Funken. Also Kerzen mit Ultraschallbad etc. blitze blank gereinigt und wieder in den 3 Zylinder. Tja sprang an und lief auf allen drei Zylindern. jedoch mit ein wenig "pömpeln". Siehe mein erster Beitrag in dem "Fred". Daraufhin in TuneECU Lambdasonde deaktiviert, geflasht und pömpeln ist weg. Sieht ja ganz nach einer defekten Lambdasonde aus die dafür sorgt das die Kerzen so schnell verrußen. Werde dann wenn ich wieder Zeit habe die Lambdasonde testen und gegebenenfalls tauschen. Aber jetzt erst mal fahren und hoffen dass das der Fehler war: Denn Sie fährt wie ein Traum, so wie ich Sie kenne. Vielen vielen Dank, an alle die hier geholfen haben das Problem zu finden!!! Bearbeitet 24. August 2021 von Jonah_he Zitieren
Triplemania Geschrieben 24. August 2021 report Geschrieben 24. August 2021 vor 20 Minuten schrieb Jonah_he: Sieht ja ganz nach einer defekten Lambdasonde aus die dafür sorgt das die Kerzen so schnell verrußen. Werde dann wenn ich wieder Zeit habe die Lambdasonde testen und gegebenenfalls tauschen. Ach wie schön, kleine Ursache und große Wirkung Wenn Du es mit deinem Gewissen vereinbaren kannst, dann lass die Lambdasonde weg. Elektrisch: Mit einem "O2-Eliminator" (Blindstecker für den Sondenanschluß) fährt die 955 auch ohne Lambdasonde sehr ordentlich. Mechanisch: Für den Anschluß am Auspuffkrümmer gibt es passende Blindstopfen. Und bei der HU gibt es damit auch kein Problem. Die alten 955 schaffen die für sie geltende AU-Hürde von 4,5 ../. auch ohne die Lamdaregelung. Viel Spaß mit dem Drilling Zitieren
Jonah_he Geschrieben 25. August 2021 Autor report Geschrieben 25. August 2021 Hallo, leider zu früh gefreut. Heute hat Sie wieder Probleme beim Starten. Aber wenn Sie lief, lief Sie. Aber!!!: Wenn ich das Fernlicht anschalte geht sofort der Tacho aus und Sie "pömpelt". Lambdasonde and aus, kein unterschied. Jedoch habe ich mal die Spannung an der Batterie gemessen und selbst bei 7000 U/min liegen nur eine Spannung von 13.4 V an. Im Leerlauf so 13.1V. Das ist doch zu wenig oder? Wenn ich Sie mit Starthilfe an einem Auto laufen lasse, keinerlei Probleme mit Tacho und co. Also muss das Problem 99% was mit der Ladeelektronik zu tun haben, oder? Die Lima hatte ich schon optisch inspiziert: Sah okay aus.. was wahrscheinlich nicht aussagekräftig ist. Kann mir jemand sagen wie ich am besten vor gehe um den Störenfried ausfindig zu machen? Gruß, Jonah Zitieren
joe8353 Geschrieben 25. August 2021 report Geschrieben 25. August 2021 Hi, welchen Regler hast Du drin? Original? Empfohlen ist der Umbau auf einen Shindengen-Regler, ggf. den SH847AA in betracht ziehen. Der Link ist ein BEISPIELLINK, das Ding gibts vermutlich auch günstiger. Zum Anschluß gibts einen Kabelsatz von Eastern Beaver, damit kannst Du auch direkt auf die Batterie gehen. Achso, das ist vielleicht noch einen Versuch wert: Versuch mal, die Spannung, die der Regler abgibt, möglichst nah am Regler zu messen. Der Kabelbaum zwischen Regler und Batterie ist bei unseren Modellen ziemlich vermurpelt, deswegen gehen viele direkt auf die Batterie. Gerhard Zitieren
Jonah_he Geschrieben 25. August 2021 Autor report Geschrieben 25. August 2021 vor 43 Minuten schrieb joe8353: Original Ja, der Original ist verbaut. Aber es könnte doch auch an der Lichtmaschine selbst liegen. Oder ist, wenn Sie optisch in Ordnung ist, alles okay? Jonah Zitieren
joe8353 Geschrieben 25. August 2021 report Geschrieben 25. August 2021 Hi, hm. normalerweise werden einzelne Wicklungen dunkler/schwarz, wenn die LiMa kurz vorm Sterben ist. Du kannst ja mal messen, ob auf allen 3 Phasen gleichmäßig Wechselspannung ankommt (so 60..80V, je nach Drehzahl). Gerhard Zitieren
Jonah_he Geschrieben 25. August 2021 Autor report Geschrieben 25. August 2021 (bearbeitet) Werde ich machen! Regler Masse werde ich auch mal checken. Hatte nochmals nachgemessen, es liegen bei 4000U/min 13.1 V( Leerlauf 13V) an das ist deutlich zu weniger oder? Wie viel sollten denn im Leerlauf anliegen? Gruß, Jonah Edit: Licht aus. Bearbeitet 25. August 2021 von Jonah_he Zitieren
Necrol Geschrieben 25. August 2021 report Geschrieben 25. August 2021 Ne nach Regler mindestens 13,8V im Leerlauf. Ich hab eben Regler von Motek drin, der schwankt zwischen 14,7 und 14,8 V über das Drehzahlband. Zu den Thema gibt es hier im Forum aber Lesestoff bis Weihnachten 2032. Zitieren
Jonah_he Geschrieben 25. August 2021 Autor report Geschrieben 25. August 2021 (bearbeitet) Danke, für die Antwort. vor 2 Stunden schrieb joe8353: Achso, das ist vielleicht noch einen Versuch wert: Versuch mal, die Spannung, die der Regler abgibt, möglichst nah am Regler zu messen. Der Kabelbaum zwischen Regler und Batterie ist bei unseren Modellen ziemlich vermurpelt, deswegen gehen viele direkt auf die Batterie. Also Spannung an der Lima ist in Ordnung(ca. 60 V AC bei 2C00 U/min). Habe die Spannung direkt nach dem Regler gemessen: Tja 14,4V ! Was schlagt Ihr vor? Wie Gerhard (joe8353) sagt vom Regler direkt an die Batterie? Der Regler geht doch prinzipiell direkt an dir Batterie mit dem Original Kabelbaum, oder habe ich was verpasst? Gruß, Jonah Bearbeitet 25. August 2021 von Jonah_he Zitieren
Necrol Geschrieben 25. August 2021 report Geschrieben 25. August 2021 Unter der linken Heckverkleidung sitzt ein Kabel, das vom Regler zur Lichtmaschine geht. Der Stecker macht gerne Mal Problem. Stecker Mal begutachten, ist gerne verschmort. Du kannst aber auch von beiden Seiten mit den Messespitzen in den Stecker, also bei bestehender Verbindung, und messen. Idealerweise hat du da auf beiden Seiten sehr ähnliche Werte. Zitieren
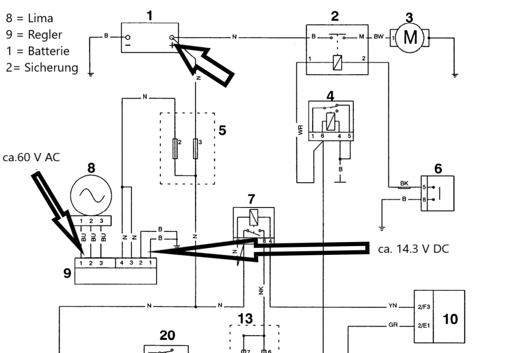
Jonah_he Geschrieben 25. August 2021 Autor report Geschrieben 25. August 2021 (bearbeitet) vor 1 Stunde schrieb Necrol: Unter der linken Heckverkleidung sitzt ein Kabel, das vom Regler zur Lichtmaschine geht. Der Stecker macht gerne Mal Problem. Der Stecker ist in Ordnung. Habe hier mal meine Messergebnisse zusammengetragen! : Gruß, Jonah An der Batterie 13.1 V. Edit: An der Sicherung 2 liegen 13.8 V an. Also scheint irgendwas mit den Kabeln zwischen Regler und Batterie nicht zu stimmen? Bearbeitet 25. August 2021 von Jonah_he Zitieren
Triplemania Geschrieben 25. August 2021 report Geschrieben 25. August 2021 vor 54 Minuten schrieb Jonah_he: Der Stecker ist in Ordnung. ..... Also scheint irgendwas mit den Kabeln zwischen Regler und Batterie nicht zu stimmen? Das ist ein alter Hut. Stichwort: "Weiche im Kabelbaum" der N-Modelle. Ich würde - immer wieder - eine neue, direkte Leitung vom Regler zur Lima ziehen. Auch dazu gibt es viel Lesestoff im T5net. Ordentliche Stecker und sogar vorkonfektionierte Leitungen gibt es bei "Eastern Beaver". HTH joe8353 reagierte darauf 1 Zitieren
Jonah_he Geschrieben 25. August 2021 Autor report Geschrieben 25. August 2021 (bearbeitet) Danke für die Antwort. Gruß, Jonah Bearbeitet 25. August 2021 von Jonah_he Zitieren
Jonah_he Geschrieben 30. August 2021 Autor report Geschrieben 30. August 2021 Hallo, ich wollte nochmals ein Update zu meiner Speedy geben! Hatte den Regler ausgetauscht, was jedoch nichts gebracht hat. Habe mir daraufhin ein Kabel mit Sicherung gebastelt vom Regler direkt an die Batterie. Seit dem liegen die vollen 14.5 V Ladespannung an und die Probleme mit an und aus gehendem Tacho sind auch verschwunden. Habe somit vermutlich das Problem gelöst. An alle die geholfen haben das Problem zu finden: Vielen dank für eure Mühe!!! Gruß, Jonah joe8353 reagierte darauf 1 Zitieren
Empfohlene Beiträge
Dein Kommentar
Du kannst jetzt schreiben und Dich später registrieren. Wenn Du ein Konto hast, melde Dich jetzt an, um unter Deinem Benutzernamen zu schreiben.
Hinweis: Dein Beitrag muss vom Moderator freigeschaltet werden, bevor er sichtbar wird.