Klaus T. Geschrieben 7. April 2025 report Geschrieben 7. April 2025 (bearbeitet) Hallo, Ich habe durch eine grobe Unachtsamkeit die markierte Schraube herausgeschraubt und sofort wieder eingeschraubt. Ich wollte den Neutralschalter auf Funktion testen. Sie sitzt neben dem Neutralschalter. Bin natürlich etwas gefahren, ca. 10 km. Es funktioniert das Herunterschalten nicht mehr vernünftig. Die Gänge hochschalten ist kein Problem. Beim Herunterschalten funktioniert es beim ersten Mal einwandfrei, aber wenn zwei Gänge heruntergeschaltet werden soll, funktioniert es nicht mehr. Wie müsste ich die Schraube wieder montieren, dass alles seine Richtigkeit hat? Auf dem ersten Bild ist die besagte Schraube richtig montiert. Danke erst einmal für die Hilfe. Gruß Klaus Bearbeitet 7. April 2025 von Klaus T. Zitieren
Jochen ! Geschrieben 7. April 2025 report Geschrieben 7. April 2025 (bearbeitet) Moin Klaus Der Zapfen der Schraube muss zwischen den beiden Federenden sitzen. Sollte sich das Zahnsegment mit der Welle nach unten gedreht haben, dann wird es etwas kniffeliger. Da müsstest Du dieses Zahnsegment mit seinem Gegenstück auf der Schaltwelle wieder in Einklang bringen. Ohne Werkstatthandbuch schwer erklärbar. Wenn Du keines hast, ich hätte eines übrig, allerdings in Englisch. Vielleicht findet sich hier aber noch ein Erklärbär, der das verständlich darstellt. Gruss, Jochen ! Bearbeitet 7. April 2025 von Jochen ! Zitieren
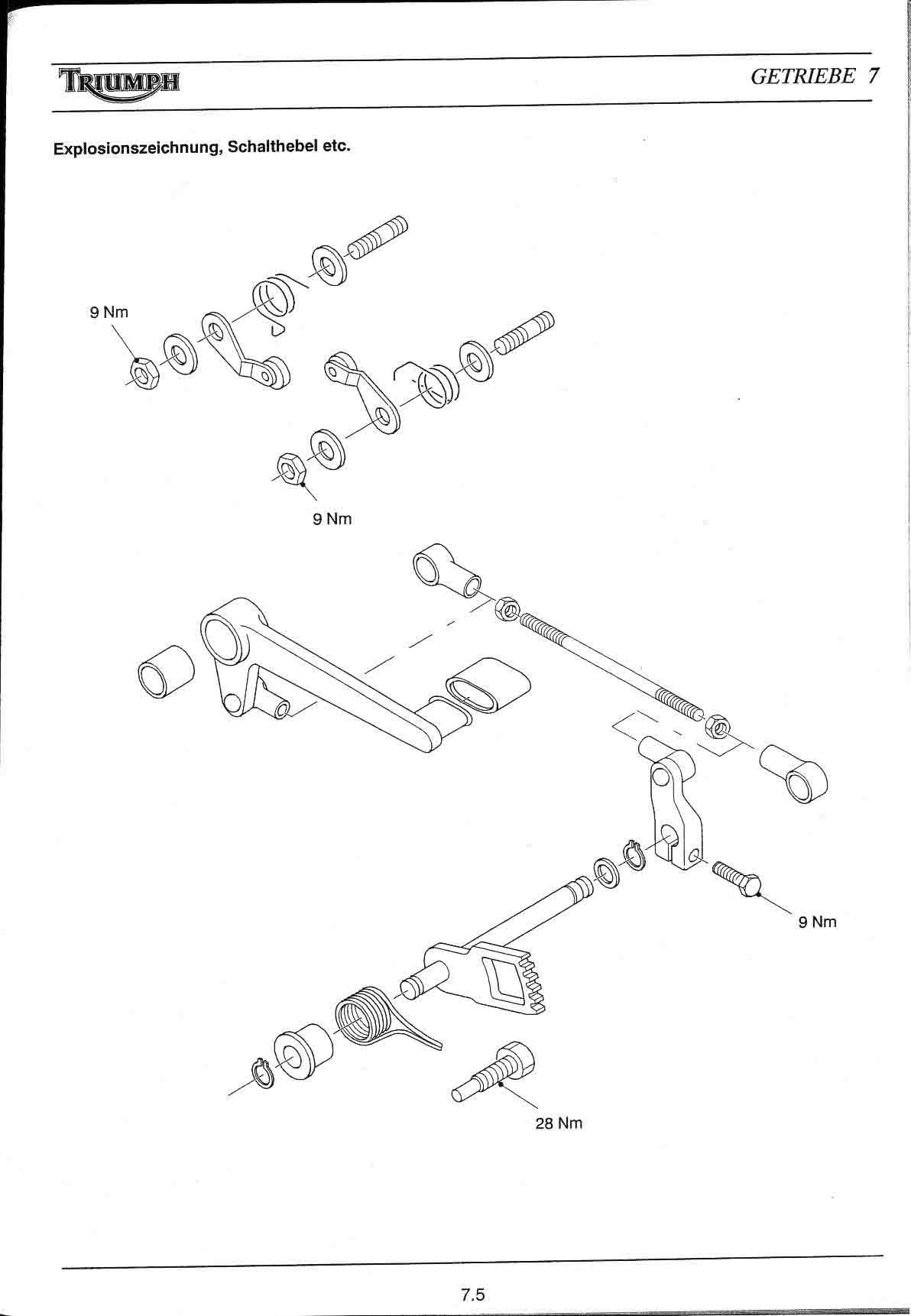
Jochen ! Geschrieben 7. April 2025 report Geschrieben 7. April 2025 Vielleicht hilft das schon : Zitieren
Klaus T. Geschrieben 7. April 2025 Autor report Geschrieben 7. April 2025 (bearbeitet) Danke Jochen Aber wie komme ich da am besten dran? Die Ölwanne abbauen, würde das ausreichen? Die Zeichnung habe ich erstmal gefunden. Hilfe könnte ich bekommen. Bearbeitet 7. April 2025 von Klaus T. Zitieren
Jochen ! Geschrieben 7. April 2025 report Geschrieben 7. April 2025 Ölwanne runter geht, ein weiteres Gelenk pro Finger wäre hilfreich. Check zuerst die Position der Zähne, dann schau weiter. . Zitieren
Klaus T. Geschrieben 8. April 2025 Autor report Geschrieben 8. April 2025 Danke Jochen, Ich werde mal meinen Bekannten fragen, ob er mir hilft. Ansonsten gehts in die Werkstatt. Gruß Klaus Zitieren
Jochen ! Geschrieben 8. April 2025 report Geschrieben 8. April 2025 So schwierig ist es nun auch wieder nicht. Wenn Werkstatt : Lass Dir bloß nix erzählen von Motor zerlegen. Das ist Unsinn. Im Zweifelsfall … ich mache auch Hausbesuche … . deedee und Rowdy reagierten darauf 1 1 Zitieren
Klaus T. Geschrieben 9. April 2025 Autor report Geschrieben 9. April 2025 Dass der Motor zerlegt wird, hätte ich sowieso nicht gewollt. Deswegen habe ich hier ja nachgefragt. Danke für die Hilfe. Dann werde ich in den nächsten Tagen mal anfangen zu schrauben und mich überraschen lassen. Grüße an alle Magic Footprince reagierte darauf 1 Zitieren
sniff Geschrieben 9. April 2025 report Geschrieben 9. April 2025 Wennst die Ölwanne demontierst, muss der Auspuffkrümmer runter, dazu vorher der Dämpfer, klar. Den Krümmer demontieren geht 100 Mal einfacher, wennst vorher den Kühler abbaust, dafür musst wiederum das Kühlwasser ablassen. Hört sich schlimmer an, als es ist, hilft aber ungemein. Die Ölwanne hat außen 16 Schrauben und (wird leicht übersehen) nochmal 3 vertieft um den Ölfilter herum. Und bevor die Ölkühlerleitungen abschraubst – merken oder fotografieren, welche links und welche rechts hingehört. Wenn die Ölwanne runter ist (und Du auf dem Boden liegst), präsentiert sich der Bolzen zum Federanschlag so: Beim Wieder-Zusammenbau wirst die Ölwannendichtung nicht wiederverwenden können, also vorher neue besorgen. Plus Dichtringe für die Zu- und Ableitungen zum Ölkühler. Plus drei neue Dichtungen für den Auspuffkrümmer. Zwischen Ölwanne und Motorgehäuse sitzen zwei ölführende Verbindungsbuchsen, die jeweils mit zwei O-Ringen bestückt sind (ID 9.1 x 1.6, Viton). Die zu erneuern kann vielleicht nicht schaden. Ich habe meine Ölwannendichtung vor der Montage mit einer hauchdünnen Schicht Silikon (Elring/Dirko HT) bestrichen. War ein Tipp vom Triumph Händler, weil ohne habe ich das Ding nicht dicht gekriegt. Das Ansetzen der Ölwanne mitsamt aufgelegter Dichtung von unten ist nicht unknifflig, weil es den Widerstand der O-Ringe auf den Buchsen mit etwas Kraft zu überwinden gilt. Wenn dabei die Dichtung verrutscht, verdrehst und beschädigst diese leicht beim Eindrehen der Schrauben – dann kannst grad wieder eine neue Dichtung besorgen. Ich habe mir als Hilfmittel etwas zu dünnen Schrumpfschlauch zugeschnitten und mit Krepp umwickelt (damit es hält) von unten eingesteckt, nicht so weit hoch wie auf dem Bild, sondern gerade so weit wie die Dicke der Dichtung, damit diese um die Bohrungen herum gehalten wird, nicht verrutscht beim Ansetzen und nix quetscht. Anschließend nach unten rausziehen und die Schrauben einsetzen. Die gesamt 19 Ölwannenschrauben laut Handbuch anziehen mit 12 Nm Drehmoment, die beiden Ölleitungen mit 25 Nm, der Ölfilter 10 Nm und die Ölablassschraube 25 Nm. Highlander556, deedee, BlauRSKlaus und 8 Weitere reagierten darauf 9 2 Zitieren
Jochen ! Geschrieben 9. April 2025 report Geschrieben 9. April 2025 Und bitte beachten : Die drei inneren Schrauben der Ölwanne zuerst lösen und auch als erste wieder anziehen. Sonst wird oft die Papierdichtung aussen undicht. . SiRoBo, Necrol und deedee reagierten darauf 3 Zitieren
Klaus T. Geschrieben 10. April 2025 Autor report Geschrieben 10. April 2025 Hallo Ihr seid die besten!!!!!!!!!!!!!!!!!!!!!!!! Mit solch einer tollen Hilfe habe ich gar nicht gerechnet. Auch herzlichen Dank an Sniff für die bebilderte Anleitung. Ich wünsche Euch allen noch einen schönen Tag. BlauRSKlaus reagierte darauf 1 Zitieren
Hühnermörder Geschrieben 10. April 2025 report Geschrieben 10. April 2025 Sag mal, muß er/Klaus die Wanne überhaupt abbauen ? Kann man seine Schraube nicht einfach noch einmal herausschrauben und von außen probieren das gabelförmige Federende mittig zur Einschraubbohrung zu positionieren ( Taschenlampe, kleiner Schraubendereher)? Dann stünde doch auch der Zahnradbogen zwangsweise wieder mittig zu Walze. Nach meinen Verständnis stand die Feder doch nur beim Einschrauben ungünstig bzw. wurde verdrückt, so daß der Bolzen ober- oder unterhalb beider Enden statt dazwischen positioniert wurde, oder ? Zitieren
Jochen ! Geschrieben 10. April 2025 report Geschrieben 10. April 2025 Könnte man, aber so ist es ja bereits zu den benannten Problemen gekommen. Sicherheit bei der Positionierung der Zähne ist ohne direkten Blickkontakt leider nicht machbar, aber einen Versuch wäre es wert. Den stumpfen Bolzen zwischen die Federenden zu bekommen dürfte sich aber als ziemlich schwierig erweisen und die Federenden damit nach hinten zu drücken ist keine wirklich gute Idee. . Zitieren
Klaus T. Geschrieben 10. April 2025 Autor report Geschrieben 10. April 2025 Theoretisch schon. Aber es klappt nicht. Dazu wird die Federspannung auf der Schraube zu hoch sein. Die Schraube geht so nicht zwischen die beiden Federarme. Es wurde schon mehrfach probiert und an der Schraube vorne eine Spitze anschleifen ist, glaube ich, keine so gute Idee. Die Ölwanne hatten wir auch noch nie demontiert. Zitieren
Atlan Geschrieben 10. April 2025 report Geschrieben 10. April 2025 vor 10 Stunden schrieb sniff: und (wird leicht übersehen) nochmal 3 vertieft um den Ölfilter herum. Und dann wundert man sich, warum die Wanne nicht abgeht ....... (Kenne ich aus eigener Erfahrung ) Zitieren
Atlan Geschrieben 10. April 2025 report Geschrieben 10. April 2025 vor 10 Stunden schrieb sniff: Die gesamt 19 Ölwannenschrauben laut Handbuch anziehen mit 12 Nm Drehmoment, War da nicht etwas mit in 2 Stufen anziehen? Erst etwas weniger, dann das finale Drehmoment? Zitieren
Hühnermörder Geschrieben 10. April 2025 report Geschrieben 10. April 2025 Ok, ich hätte da wohl sschon eine sehr flache Fase an den Bolzen geschliffen und mittels Ruckeln am Schalthebel während des Einschraubens versucht, den zwischen die Federenden zu bekommen. Aber wenn Du Dich da schon mehrmals erfolglos dran ausgetobt hast, muß halt die Wanne runter. Ist ja auch ne Erkenntnis. Da kannst Du die Wanne inkl. Ölsieb auch gleich schön sauber machen. Irgendetwas an Spänen ist da eigentlich immer zu finden und bleibt Ölpumpe wie Leitungen und Lagern zukünftig erspart. Zitieren
Jochen ! Geschrieben 10. April 2025 report Geschrieben 10. April 2025 vor einer Stunde schrieb Atlan: War da nicht etwas mit in 2 Stufen anziehen? Erst etwas weniger, dann das finale Drehmoment? Das ist so selbstverständlich, das bedarf keiner Erwähnung. . Zitieren
Atlan Geschrieben 10. April 2025 report Geschrieben 10. April 2025 vor 1 Minute schrieb Jochen !: Das ist so selbstverständlich, das bedarf keiner Erwähnung. Naja, für jemandem, der einfach so Schrauben rausdreht, ohne zu wissen was er da macht, ist das vielleicht nicht selbstverständlich Ich glaube mich zu erinnern, dass es erst 8 Nm sind, dann 12 Nm. (Mein Handbuch liegt Zuhause, da kann ich jetzt nicht nachschauen.) Zitieren
Jochen ! Geschrieben 10. April 2025 report Geschrieben 10. April 2025 vor 3 Minuten schrieb Atlan: … jemandem, der einfach so Schrauben rausdreht, ohne zu wissen was er da macht, … … dem sollte man auf die Finger klopfen. Oder ihm ne T-Spezialistenwerkstatt unterschieben, von denen gibt es aber auch schon mehr als genug. . Zitieren
Klaus T. Geschrieben 23. Mai 2025 Autor report Geschrieben 23. Mai 2025 Hallo, Nach vielem hin und her baue ich einen anderen Motor ein. Wir können den Fehler so nicht lokalisieren. Es hat aber nichts mit der Anschlagschraube zu tun. Gruß Klaus Zitieren
Jochen ! Geschrieben 23. Mai 2025 report Geschrieben 23. Mai 2025 Moin Klaus Aufgegeben ? Dann gib mir den alten Motor, ich entsorge den für Dich … Gruss, Jochen ! Zitieren
Hühnermörder Geschrieben 23. Mai 2025 report Geschrieben 23. Mai 2025 vor 4 Stunden schrieb Klaus T.: hat aber nichts mit der Anschlagschraube zu tun. Oha. Bei was für einer Laufleistung ist das denn aufgetreten ? Ich hab die Getriebe immer für unkaputtbar gehalten, aber neulich erst mit jemandem geschnackt, der bei 32tkm auf der Uhr auch nicht mehr schalten konnte. Zitieren
Klaus T. Geschrieben 26. Mai 2025 Autor report Geschrieben 26. Mai 2025 Hallo, Bei 42.000 km. Irgendwas stimmt mit der Schaltwelle nicht. Gruß Klaus Zitieren
Klaus T. Geschrieben 24. Juli 2025 Autor report Geschrieben 24. Juli 2025 Hallo Kleiner Nachtrag: Das Motorrad läuft wieder einwandfrei. Der Motorwechsel hat sich doch gelohnt. Danke an alle, die mir geholfen haben. Gruß Klaus Hühnermörder und joe8353 reagierten darauf 2 Zitieren
Empfohlene Beiträge
Dein Kommentar
Du kannst jetzt schreiben und Dich später registrieren. Wenn Du ein Konto hast, melde Dich jetzt an, um unter Deinem Benutzernamen zu schreiben.
Hinweis: Dein Beitrag muss vom Moderator freigeschaltet werden, bevor er sichtbar wird.