Zum Inhalt springen

Empfohlene Beiträge

Geschrieben

Ich suche einen anschlussplan für eine H4 Birne.

durch dr. google bin ich noch mehr ´vewirrt.

hat da jemand was? Macht mich ganz wuschig. Ich hab das alles ganz anders in Erinerrung?

Mfg Mario

Geschrieben

Morgen

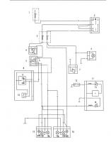
Das whb hab ich den schaltplan demnach auch. Was ich suche ist sowas

H4-Gluehbirne.gif

sollte dieser Anschlussplan stimmen dann hat mein bekannter die Lampe schon vor 3 jahren falsch angeschlossen. Wer weiß ob dieser plan stimmt

Geschrieben

sieht richtig aus;)

aber teste es doch.

nimm eine Battere, zwei kabel, eine Lampe und den Plan.

leg die beiden Kabel wie im Plan auf das Ablendlicht.

wenn der Glühdraht in dem Metallpfänchen leuchtet hast du das Ablendlicht.

wenn beide Leuchten müsste die masse falsch sein.

Geschrieben

Hab ich schon. Ich glaub ich hab ein Masse problem laut diesem plan. Obwohl die Schaltung fern abbl. licht funzt? Die Fernlicht kontrolllampe geht nicht aus.

Mfg Mario

Geschrieben (bearbeitet)

bleibt das blaue Fernlichtkontrolllämpchen an bis der Motor startet? (Speedy 1050)

Ich weiß es nimmer.

vieln dank im vorraus.

Bearbeitet von italofranke
Geschrieben

wenn die kontrolllampe dauerhaft leuchtet liegt das aber nicht an der Birne.

bei meiner 675 blieb es nicht an.

hast du schon mal die kontakte an der Tacho einheit bzw. an dem Stechverbinder der Schaltereinheit überprpüft?

ansonsten mal den Masse sammelstecker checken.

Das sind erstmal die einfachste prüfmöglichkeiten.

Du kannst auch mal das relais überprüfen, und gegen das für das ablendlicht tauschen am besten ohne Birnen.

Geschrieben

ich hab ja die Lampe umgebaut. und der Stecker musste komplett neu. Ktm hateine Andere Verlegung im Japan stecker als Triumph. das ist mein Problem.

Trotzdem danke!

werd heut abend mal mal nach dieser Anleitung neu verkabeln.

Mfg Mario

Geschrieben

Nur zur Info der Schaltplan aus dem www. funzt. Lampe funzt Mario glücklich. Endspurt.

Dein Kommentar

Du kannst jetzt schreiben und Dich später registrieren. Wenn Du ein Konto hast, melde Dich jetzt an, um unter Deinem Benutzernamen zu schreiben.
Hinweis: Dein Beitrag muss vom Moderator freigeschaltet werden, bevor er sichtbar wird.

Gast
Auf dieses Thema antworten...

×   Du hast formatierten Text eingefügt.   Formatierung jetzt entfernen

  Nur 75 Emojis sind erlaubt.

×   Dein Link wurde automatisch eingebettet.   Einbetten rückgängig machen und als Link darstellen

×   Dein vorheriger Inhalt wurde wiederhergestellt.   Editor leeren

×   Du kannst Bilder nicht direkt einfügen. Lade Bilder hoch oder lade sie von einer URL.

Lädt...
×
×
  • Neu erstellen...